接地变压器
元件定义
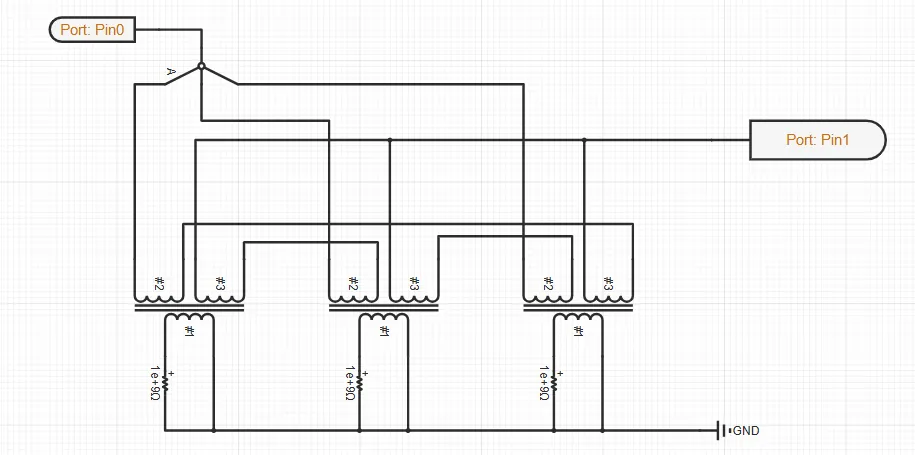
该元件用以将电路的中性点与地隔离,形成一个稳定的中性点。

元件说明
属性
CloudPSS 元件包含统一的属性选项,其配置方法详见 参数卡 页面。
参数
基本参数
| 参数名 | 键名 | 类型 [单位] | 描述 |
|---|---|---|---|
| 设备名称 | Name | 文本 | 设备名称 |
| 额定运行频率 | Freq | 实数 | 额定运行频率 |
| 变压器额定功率 | RatedPower | 实数 [MVA] | 变压器额定功率 |
| 变压器额定电压 | RatedVoltage | 实数 [kV] | 变压器额定电压 |
| 零序电抗(每相) | X0 | 实数 [Ω] | 零序电抗(每相) |
引脚
| 引脚名 | 键名 | 类型 | 维度 | 描述 |
|---|---|---|---|---|
| PIn #1 | Pin0 | 电气 | 3 | |
| Pin #2 | Pin1 | 电气 | 1 |
案例
例如,在某10kV母线电气节点位置接入接地变压器,为中性点不接地系统提供人为的中性点,便于采用消弧线圈或者小电阻的接地方式。